@Olaf:
Es kommt auf die Zusammenschaltung der ganzen Anlage an. Es gibt es verschiedene Möglichkeiten des Zusammenbaues.
Das sollten wir evtl. in Damp besprechen. Es ist schierig sowas mal so eben zu beschreiben. Skizzen mit Frage/Antwort sind da besser geeignet.
Bei einer so großen Stromentnahme ist 50A natürlich zu wenig. Da sollten es sicher 80A, evtl. 100A sein. Die Zuleitungen zum gemeinsamen Anschlußpunkt müssen bei 120Ah Batterien dann natürlich auch entsprechend dick sein.
Der Wechselrichter ist dabei außen vor. Er wird sinnvollerweise an dem gemeinsamen Anschlußpunkt der drei Batterien angeschlossen.
Ich würde auf jeden Fall eine Sicherung dazwischenschalten. Natürlich ist das ein großer Klopper. 200A sollten das schon sein.
Bei unserem 400W WR ist eine 50A Sicherung in der Zuleitung direkt hinter der Batterie eingebaut.
Gruß
HG
2. Aufbaubatterie selbst einbauen?
-
-
Hallo Heinz-Günther,
na dann will ich mal gleich eine Skizze anhängen.
Deinem Vorschlag folgend würde ich jetzt in die vorhandenen Kabel zwischen den Pluspolen der Batterien (je 200mm lang) eine 100A Sicherung einsetzen. Da das Kabel einen Querschnitt von 35mm² hat, ist eine 100A Sicherung das Maximum. Durch diese Absicherung würden dann die 3 Batterien gegenseitig vor Kurzschlussspannung geschützt sein - soweit richtig?
Zu den PLUS und MINUS Verteilern (Kupferleiste bzw. Potentialschiene aus Hauselektrik), liegen je 2x35mm² auf ca. 600 bzw. 400mm Länge. Diese 70mm² pro Leitung sollten auch bei den hohen Strömen ausreichen. Die Leitungen sind gekreuzt, also Minuspol aus Batterie 1 und Pluspol aus Batterie 3 gehen an die jeweiligen Verteiler.
Zum zukünftigen Wechselrichter (Toyo oder Votronic) wird ebenfalls je 2x35mm² gelegt. Die Länge ist dann maximal 500mm und ich denke an eine 150A Sicherung. Eine größere Sicherung macht keinen Sinn, denn größere Geräte kommen da nicht dran und dann müsste ich auch die Kabel von den Batterien zu den Verteilern im Querschnitt vergrößern. Auch empfehlen beide Hersteller in Ihren Betriebsanleitungen nicht mehr als 50mm², was dann eigentlich auch "nur" maximal 165A zulassen würde.
Vielleicht schaust Du einfach mal drüber und Deinem geschätzten Kommentar sehe ich gerne entgegen.
Gruß, auch an Gerlinde
Olaf
-
Hallo Olaf,
ich würde jeden einzelnen Pluspol mit 100 A abgesichert direkt auf den Verteiler klemmen und nicht die Sicherungen in Reihe schalten. -
Hallo Ulf,
ich habe doch keine Sicherung in Reihe geschaltet. Das würde doch gar nichts bringen....
Die Batterien sind so geschaltet, dass die Plus- und Minusleitung gekreuzt sind. Daher die Sicherungen zwischen den Pluspolen.
Gruß
Olaf -
Soweit ich weiß hat diese Schaltung den Vorteil, dass alle Batterien gleich ent-/geladen werden. Wenn alle Pole angeschlossen werden, kann durch die Kabellängen oder unterschiedlichen Widerstände an den Polklemmen, auch unterschiedliche Ladung/Entladung an den jeweiligen Batterien vorkommen.
Gruß
Olaf -
Moin Moin
Das ist derzeit stand der Dinge.
So habe ich die Batterien Angeschlossen die sicherung zwischen Batterie 1 und Batterie 2 werde ich am Wochenende nachrüsten. -
Hallo Olaf, ich drucke das Bild gerade aus und schau mir das an.
Der Gedanke, gleichmäßige Entladung/Ladung als "Schutz" für die Batterien, ist richtig. Daher die über kreuz Variante.
Die Sicherung zwischen der rechten und der mittleren Batterie transportiert 1/3 des Stromes. Theoretisch reicht dort eine 50A Sicherung.
Die Sicherung zwischen der linken und der mittleren Batterie wird mit dem doppelten Strom belastet, muss also doppelt so groß sein, 100A
Bei deiner Variante, über kreuz Schaltung, fehlt für die letzte Batterie die Sicherung. Ein Kurzschluß in der Zuleitung zur Plusschiene bzw. hinter der Plusschiene in der Sicherungsverteilung ist nicht abgesichert. Es sollte mindestens eine 150A Sicherung sein.Für gleichmäßige Belastung der Batterien müssten auch die Widerstände der Sicherung und der Si-Halter berücksichtigt werden. Die werden oft unterschätzt. Dementsprechend sollten ggf. die Leitungslänge /Querschnitt angepasst werden, wenn es ganz exakt sein soll.
Ich selbst würde eine sternförmige Anschaltung mit exakt gleichen Zuleitungen bevorzugen. Das ist aber auch eine Platzfrage.
Bei einer sternförmigen Anschaltung mit exakt gleichlangen Zuleitungen ist elektrische Symetrie gegeben.
Also gleiche Be-/Entlastung.
Vorteil wäre: Bei Ausfall einer Batterie, Sicherung ist defekt, verbleiben 2 Batterien ohne mechanische Änderungen in der Anschaltung.
Bei der über kreuz Schaltung ist, bei Ausfall einer Batterie, ein Weiterbetrieb ohne mechanische Änderungen nicht möglich.
Zumindest müsste die Plusklemme der ausgefallenen linken oder mittleren Batterie abgenommen werden.Ist alles worst case Betrachtung.
Die Winner Solar SMF ist offenbar keine AGM oder Gel Type. Eher eine EFB-Type, also eine verbesserte Nassbatterie. Winner sagt in den Daten dazu nichts. Auch die Ladespannung/Ladekurve wird nicht angegeben.
Mit 120€ liegt sie auf dem Preisniveau von Starterbatterien. Die Zeit wird es zeigen. Wenn sie 5 Jahre halten ist es sicher ok.
Haben die Batterien Entlüftungen, die nach außen geführt werden müssen?Soviel für den Moment.
Ich denke noch mal weiter nach.Gruß
Heinz-Günter -
Wie ich schon sagte :whistle: Insgeheim bleibt Olaf´s Schaltplan bei den Sicherungen eine Reihenschaltung. Und besser ist wie Heinz-Günter auch schreibt die Sternschaltung. Sprich jede Batterie einzeln abgesichert an den Verteiler B) B)
-
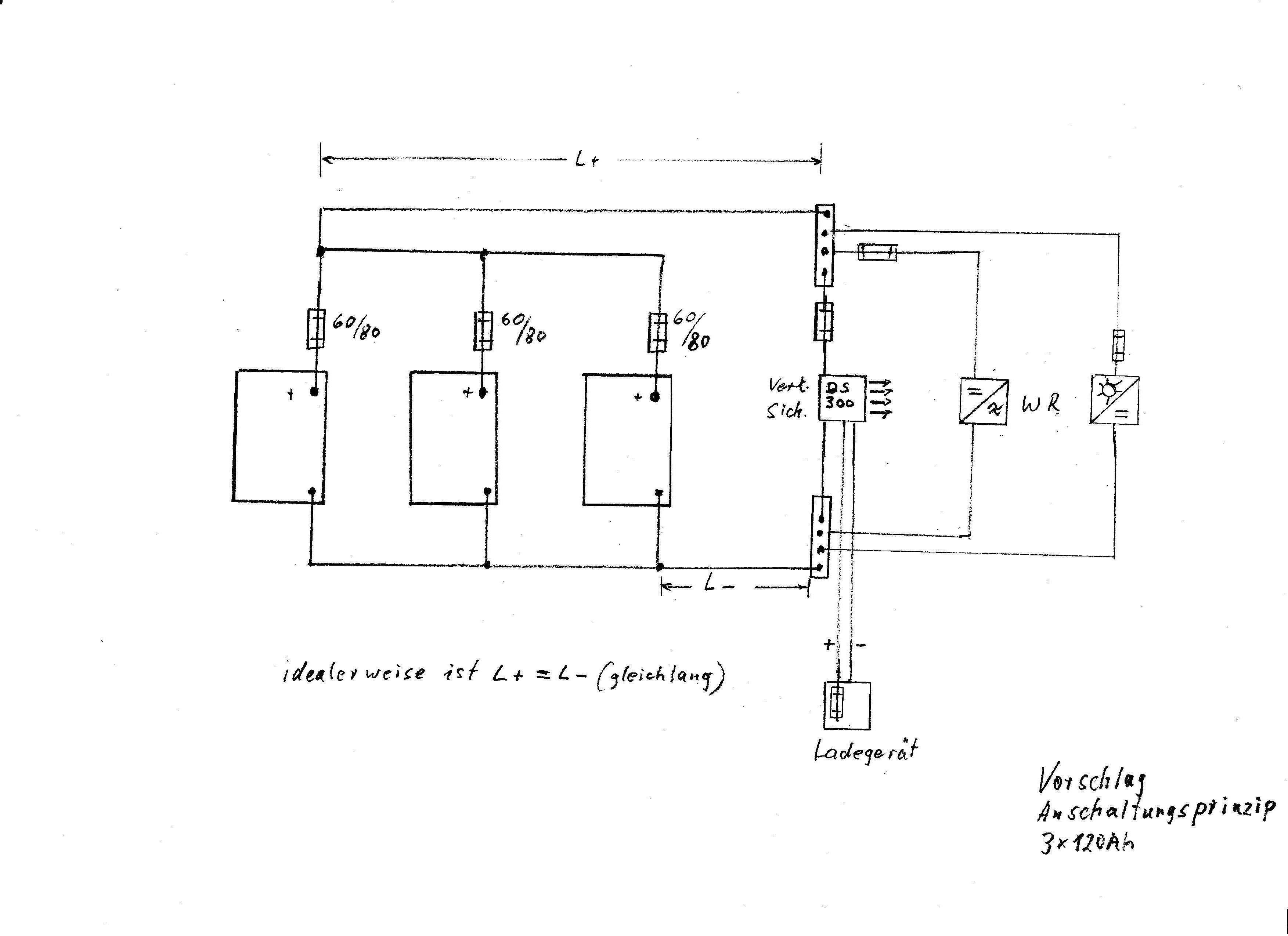
Moin, Ergebnis meiner Überlegungungen:
siehe Skizze.
Das ist ein Kompromiss zwischen "Sternschaltung" und über kreuz Schaltung. Ob das mechanisch günstig zu lösen ist kann ich nicht beurteilen.
Die + und - Verbindung sollten idealerweise gleichlang sein. Ganz symetrisch wird es aber nicht. Die Verbindungen zwischen den Polen sind immer unterschiedlich strombelastet.
Angesichts der großen Querschnitte und sehr kurzen Verbindungen sind die Verluste sehr gering.
Die +-Leitung muss nicht unbedingt abgesichert werden, da die Batterien einzeln gesichert sind und die Kabellänge sehr kurz ist. Mechanische Beschädigungen sind durch passende Verlegung weitgehend auszuschließen.Zu den Winner Solar:
Winner ist eine Markenbezeichnung eines Großhändlers in Mannheim.
Die vertreiben alle möglichen Batterien. Angeblich Made in Germany. Wer dahinter steckt ist nicht zu ergründen.
Die Type Solar SMF ist eine angeblich verstärkte Nassbatterie. Viele Werbeworte... Die angegebene Si/Ca Technologie ist seit Jahren weit verbreitet. Die türkische Mutlu Starterbatterie unseres Transit ist als solche bezeichnet.
Die Ladeschlußspannung für die Winner Solar wird mit 14,4-14,8V angegeben. Das scheint mir etwas fragwürdig zu sein. Eine normale Nass-Batterie, auch die verbesserten EFB, haben Ladeschlußspannungen von 14,4V, bei 20°C.. Dies entspricht der verbreiteten Spannung in heutigen normalpreisigen PKW.
Über die Ladekurve wird nichts ausgesagt.
Was mich stutzig macht, ist das geringe Gewicht der 120Ah Batterie. Eine 80Ah Gel Batterie wiegt ca. 6 kg mehr, sie enthält offenbar deutlich mehr Blei.Ich hoffe ein bißchen helfen zu können.
Gutes Gelingen.
Heinz-Günter -
Hallo & Moin,
ich kann mir beim besten Willen nicht helfen, aber warum parallelgeschaltete Batterien einzeln abgesichert werden sollten, erschließt sich mir absolut nicht. Ich habe so etwas auch noch nie gesehen, auch nicht im Marinebereich (wo Sicherheit nun wirklich höchste Priorität hat), wozu auch...
Wogegen sollen die Sicherungen denn sichern? Ein Plattenschluss in einer Batterie wird niemals dazu führen, dass von einer Batterie in die andere so hohe Ströme fließen, dass eine Gefahr für das Netz (Kabel) besteht. Ich wüsste auch nicht, wohin diese gigantischen Ströme fließen sollten, doch wohl nicht von Plus zu Plus, oder?
Ein Plattenschluss einer Batteriezelle führt dazu, dass die Spannung in diesem Block abfällt und somit das gesamte Potential geringer wird, weil die Spannungen sich angleichen.
Das ist aber doch nicht mit einem Kurzschluss auf der Verbraucherseite gleichzusetzen. Ein Kurzschluß läge nur an, wenn Plus und Minus direkt zusammenkommen, was der Fall wäre, wenn eines Plus-Kabel an Masse käme.
Das vor dem EBL eine Sicherung gehört, versteht sich von selbst, dass der Wechselrichter, wenn er keine eingebauten Sicherungen hat und so angeordnet ist, wie Heinz-Günter das skizziert hat, abgesichert werden muss, ist natürlich ebenfalls ein Selbstgänger. Für den Solarregler gilt das gleiche, wie für den Wechselrichter, die meisten bringen aber ebenfalls sebst eine Sicherung mit.
Also meine Aussage dazu:
Die Batterien einzeln abzusichern ist nicht einmal als "Hosenträger + Gürtel" zu bezeichnen, sondern macht einfach keinen Sinn.Viel wichtiger ist, dass die Plus-Kabel der einzelnen Batterien möglichst alle gleich lang sind, um sicherzustellen, dass der Lade- und Entladestrom gleichmäßig verteilt wird und so die Akkus gleichmäßig geladen, bzw. entladen werden. Das gleiche gilt für die Minus-Kabel, wobei die Plus- und Minuskabel aber nicht gleich lang sein müssen (der längste Kabelsatz bestimmt den Spannungsabfall)
Edit:
Ich habe noch einmal einen Muster-Schaltplan beigefügt -
Moin Moin
Habe das sch.... Wetter mal genutzt und mir eine zweite Batterie eingebaut.
Habe jetzt zweimal 95Ah Varta AGM drinn. Mal schauen wie lange ich jetzt
ohne Landstrom auskomme. Der Einbau war total simpel, nur Beifahrersitz weg
und schon lag alles frei. Halterung gelöst Batterie rein Halter fest und sitzt.
Bei knapp 20 cm Kabel mit 5mm Durchmesser war der Anschluß auch leicht.
Ich habe bei der Kabellänge auf das Überkreuzten verzichtet.
Schönes Osterfest
Harry -
Heinz-Günter,
ich bin voll Deiner Meinung, Eine Batterie darf in diesem Anwendungsfall immer nur mit Sicherung in die bestehende Anlage integriert werden. So nahe am Pluspol wie möglich einbauen. Als Stärke würde ich auch ab 100 A vorschlagen. Sehe ein gewisses Leistungsproblem wenn die Batterien nicht genau identisch sind, aber darauf wurde ja auch schon hingewiesen.Grüße
Horst -
Moin,
meine Aussage dazu kennt Ihr ja.
Ich würde mich ja gern vom Gegenteil überzeugen lassen, ehrlich!
Aber dazu bedarf es dann doch konkrete Begründungen und Erläuterungen, bzw. Verweis auf entsprechende Fachliteratur/Norm. Ich habe nämlich bislang nichts diesbezügliches finden können und hab's auch nicht so gelernt (was ja nicht unbedingt etwas heißen muss
)Ein "besser isses" reicht mir irgendwie nicht.

-
Hallo zusammen.
Frisch das ganze nun mal auf.
Habe ebenfalls eine 2. Boardbatterie, Typgleich und auch zeitlich nicht gerade Lichtjahre auseinander, eingebaut. Ebenfalls unter dem seitliche Sitz bei uns im Hobby T70E.
Nun meine Frage - nicht zum Einbau - was stelle ich als Gesamtleistung am Bedienpanel ein?
1 Batterie hat 80Ah - nun 2 Stück davon paralell verbaut => 160 Ah scheint mir da logisch.
Es gibt in der Beschreibung aber auch den Punkt, wo man eine 2. Boardbatterie anschließen kann, diese dann aber separat auch im Display sehen kann. Denke mal bei parallelSchaltung bleibt es bei einer , dann allerdings Gesamtleitung 2x 80Ah also 160Ah.Anzeige zur Zeit im Display, wenn 230V anliegen
P.S. Original vom Hersteller waren 92Ah im Display - warum?
-
Habe bereits etwas neueres Im Forum gefunden.
Werde den Text dort einfügen.
Jetzt mitmachen!
Sie haben noch kein Benutzerkonto auf unserer Seite? Registrieren Sie sich kostenlos und nehmen Sie an unserer Community teil!

