Ich wünsche Allen erst einmal ein frohes neues Jahr. Gesundheit und viel Harmonie in der Familie.
Es gibt über meine Starterbatterie Gutes zu berichten.
Ich habe Sie jetzt ca. 4 Tage mit 13,4 Volt Ladespannung von 2,5 V langsam steigend, je nach Ladezustand und konstant 1Amp. geladen.
Sie steht jetzt bei 12,7V und das Womo springt wieder an.
Wieviel und ob Sie Schaden genommen hat, wird ein Batterietest zeigen. Aber ich bin doch sehr überrascht, das man eine 12 V Batt. die nur noch eine Restspannung von 2,5 Volt hatte, wieder zum Leben erwecken kann.
Also, ein Versuch kann sich lohnen.
Starterbatterie tiefenentladen. Ladegerät Lithium Aufbau zur Starterbatterie.
-
-
Moin,
die Lösung von Horst steht ja auch noch im Raum.
Einfach mit einem Widerstand und einer 2A Sicherung die Aufbau und Fahrzeugbatterie verbinden.
Da die Lifepo4 eine höhere Grundspannung als die AGM hat sollte die Stromrichtung von der
Lifepo4 zur AGM vorgegeben sein sodass keine Diode mit einem Spannungsabfall von 0,7V benötigt wird.Als Beispiel mal mit einem Hochlastwiderstand von 1 OHM gerechnet:
Mit einer 2 A Sicherung dürfte nach U=R*I (2V=1Ohm*2A) zwischen den Batterien eine Differenzspannung von 2V
bestehen bis die Sicherung anspricht. Das ist eher unwarscheinlich wenn die Batterien sofort beim Abstellen verbunden werden.Beide Batterien gleichen sich automatisch bis zur höchsten Batteriespannung (Lifepo4=12,8V) aus. Also auch für AGM unschädlich.
Der Ladestrom ist abhängig von der Spannungsdifferenz der Batterien d.h. umso größer der Spannungsunterschied
umso höher ist dann auch der Ladestrom. Bsp: AGM 12,7V Ladestrom = 0,1A; AGM 12V Ladestrom 0,8ADer Widerstand müsste bei einer Absicherung mit 2A, 4W Leistung aushalten.
Gehen wir nach dem ausgleichen der Batterien von einem Ladestrom 0,1A - 0,2A aus wären das pro Tag schon mal 4,8A.
Das sollte reichen.Die Verlustleistung, d,h, die Energie die ungenutzt über den Widerstand in Wärme umgewandelt
wird und damit verloren ist, würde nach P=U*I bei 0,2V*0,2A=0,04W bewegen. Das wäre auf einen Tag 24 * 0,04W=1W.
Also alles überschaubar.LG Kurt
-
Moin Kurt, das bedarf ein paar Vorarbeiten, beide Batterien müssen voll sein beim Abstellen.
Aber Du hast Recht, im Prinzip möchte ich ja nur die 20-30mA die die Alarmanlage braucht von Lithium Batt. beziehen.
Ich werde mir ein Wiederstand und einen Sicherungshalter besorgen und es ausprobieren.
Ich habe mir gerade ein Ladegerät bestellt.
Werde beide Batt voll laden und nach 3 Monaten mal schauen, wie die Ladezustände an den beiden Batt. sind.
Ist einfach und Kostengünstig.
Vielen Dank, schauen wir mal, welche Vor - und Nachteile es hat.
Ich bleibe dran. -
Hallo Kurz,
bei mir ist als Ladebooster der Schaudt WA 121525 verbaut, der meines Wissens nach keinen Rückladezweig hat. Somit müsste ich halt auf das Zusatzelelement ausweichen, oder?
-
Hallo J.Picard,
das kannst du doch sehen. Was passiert denn wenn dein WOMO am Landstrom angeschlossen ist?
Wird die Fahrzeugbatterie da mitgeladen?
Ausserdem hast du doch schon Solar auf dem Dach.
Wird da denn nicht schon die Fahrzeugbatterie mitgeladen?
Wenn du keinen Rückladezweig hast kann man das für relativ kleines Geld
zusätzlich realisieren. Ich kann mir aber nicht vorstellen das du das
bei deiner verbauten Technik wirklich benötigst.Alternativ würde ich deinen Booster gegen den Votronic 1212/30 tauschen und den alten
weiterverkaufen. Dafür musst du in der Regel noch nicht mal etwas umverkabeln.
Der Votronic wird gerade für 140€ angeboten. Wenn du deinen für 100€ weiterverkaufst
ist das doch überschaubar.
Zusätzlch hättest du dann noch 5A mehr Ladestrom.LG Kurt
-
Zitat von "Kurt post=95353 userid=4795"Alles anzeigen
Hallo J.Picard,
das kannst du doch sehen. Was passiert denn wenn dein WOMO am Landstrom angeschlossen ist?
Wird die Fahrzeugbatterie da mitgeladen? JA, die ist ja serienmäßig so mit angeschlossen.
Ausserdem hast du doch schon Solar auf dem Dach. Nützt mir jedoch nichts, da der Stellplatz überdacht ist und die Solarpaneele in der hintersten Ecke stehen.
Wird da denn nicht schon die Fahrzeugbatterie mitgeladen? Eigentlich nur die Aufbaubatterien, oder?
Wenn du keinen Rückladezweig hast kann man das für relativ kleines Geld
zusätzlich realisieren. Ich kann mir aber nicht vorstellen das du das
bei deiner verbauten Technik wirklich benötigst. Wäre jedoch interessant, bevor ich weitere Artikel anschaffe.Alternativ würde ich deinen Booster gegen den Votronic 1212/30 tauschen und den alten
weiterverkaufen. Dafür musst du in der Regel noch nicht mal etwas umverkabeln. Hatte ich schon daran gedacht, aber der verbaute Booster ist nachträglich aufgrund der Reklamation bei Hobby reingekommen und das gesamte System hat ja noch Gewährleistung.
Der Votronic wird gerade für 140€ angeboten. Wenn du deinen für 100€ weiterverkaufst
ist das doch überschaubar.
Zusätzlch hättest du dann noch 5A mehr Ladestrom.LG Kurt
-
Zitat von "J.Picard post=95356 userid=5991"
Bei unserem Solar-Regler (Büttner MT-Reihe) gibt es neben dem Ladeanschluß für die Aufbau-Batterie noch zusätzlich einen kleineren für die Starter-Batterie, der mit kleinem Strom lädt.
So kann unser WoMo auch ohne Landstrom überwintern.
Also ggf. mal am Regler nachschauen ...Gruß,
Horst -
Hallo,
der Solarladeregler ist leider so ein China-Gerät, Typ und Schaltung habe ich gerade nicht parat. Da war aber meines Wissens nach keine weitere Anschlussmöglichkeit.
-
Zitat von "J.Picard post=95356 userid=5991"
-
Moin,
der Schaudt WA 121525 hat keinen Rückladezweig (zumindest meiner nicht)
Dass das Laden der Starterbatterie über das bordseitige Ladegerät dennoch funktioniert, liegt wohl eher an der Anordnung des Ladeboosters. Wenn dieser, wie ich vermute, nicht vor dem EBL eingebaut wurde, sondern parallel , d.h. am EBL vorbei und das Ladegerät auf den EBL geht, ist der Booster beim Laden über Landstrom außen vor.
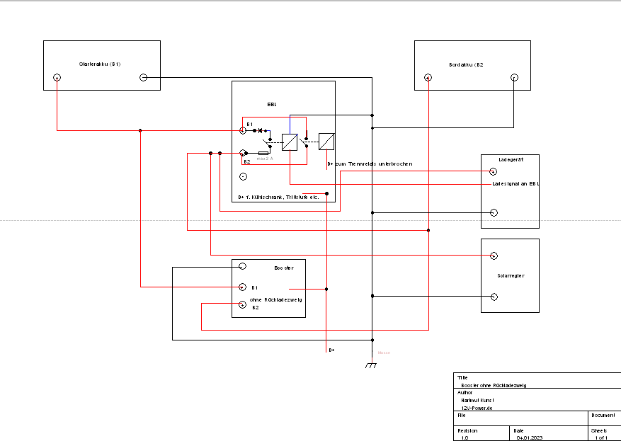
Der Solarregler geht natürlich trotzdem nicht; denn wenn kein Landstrom anliegt, schaltet der EBL die Erhaltungsladung ja nicht durch.Hier mal ein grobes Schema von einer solchen Installation:
-
Hallo Hartmut,
das könnte natürlich sein. Den Booster am EBL vorbei direkt an die Aufbaubatterie wäre grundsätzlich möglich.
Dann müsste aber das Relais im EBL außer Betrieb genommen werden weil das Relais für die Versorgungsleitung über den EBL
mit dem D+ Signal bei laufendem Motor anziehen würde. und den Booster dann quasi überbrücken würde.
Trotzdem würde dann die Rückladung über den EBL funktionieren. Wenn der Booster ohne das D+ Signal bei stehendem
Motor aus ist und das Relais vom EBL ebenfalls in Ruhestellung ist würde bei entsprechender Aubaubatteriespannung
der Strom über den Rückladezweig des EBL zur KFZ Batterie fließen.Falls der Booster allerdings am EBL vorbei installiert wurde kann man anstatt das Relais außer Betrieb zu nehmen auch
einfach die Versorgungsleiteitung KFZ Batterie EBL trennen. Dann würde aber definitiv der Rückladezweig fehlen
der ja vom EBL realisiert wird.Außerdem trau ich den Hobbytechniker soviel wissen nicht zu.
Es gibt auf der Schaudt-Webseite einen Schaltplan wie man mit einem zusätzlichen Relais eine Rückladezweig installieren kann.
Ich denke dieses Verfahren wurde dann auch angewendet.Der Kollege wird kein anderes Ladegerät von Hobby verbaut haben wie wir auch. Also wird das auch keinen Doppelausgang
Aufbaubatterie und KFZ Batterie geben.Ob der Solarregler das kann entzeiht sich allerdings meiner Kenntnis.
LG Kurt
-
Moin,
ZitatDann müsste aber das Relais im EBL außer Betrieb genommen werden weil das Relais für die Versorgungsleitung über den EBL
mit dem D+ Signal bei laufendem Motor anziehen würde. und den Booster dann quasi überbrücken würde.
Du hast natürlich recht, Kurt, darauf hätte ich hinweisen sollen. Da habe ich beim Erstellen heute morgen geschlafenIch habe das Schema deshalb wieder entfernt, und hier das korrekte Schema angehängt.
Sorry für die Verwirrung
-
Meine Elektrokenntnisse gehen leider weit darüber hinaus....
Also Lader von Büttner nun rein zwischen 2. Aufbaubatterie und Starterbatterie ohne Anpassungen?
-
Moin Kurt, die letzten beiden Tage habe ich die beiden Batterien voll geladen.
Heute habe ich den 1 Ohm Widerstand mit den beiden Sicherungen eingebaut.
Der Test startet.
Ich werde nächstes Wochenende alle Spannungen überprüfen und schauen ob es etwas zu berichten gibt. -
Moin,
ZitatDabei ist nicht der Eigenverbrauch des Konverters und ggf. der Zeitschaltuhr berücksichtigt, der (beim Konverter) durchaus 25 mA betragen kann.
ZitatAber dennoch werde ich hierfür mal einen Versuchsaufbau machen, damit man mal wirklich weiß, vovon man spricht.
Ich bin ja noch das Resultat von meinem Versuchsaufbau schuldig:Ich habe den Step-Up-Concerter XY-SK80 angeschlossen und bei einer Eingangsspannung von ca. 12,5 Volt zieht der tatsächlich 38 bis 40 mA, ohne Last. Das wären dann schon allein dafür knapp 1 Ah pro Tag.
Wer einen großen Aufbauakku hat, kann das sicher verkraften, aber wer mit 100Ah oder 200 Ah LiFePO4 einen Starterakku über den ganzen Winter am Leben erhalten will, wird im Frühjahr dasselbe Problem haben, nämlich, dass der Starterakku leer sein dürfte... Und nicht nur der...Für mich ist das Ding aber trotzdem eine Option, die ich umsetzen werde; denn wesentlich effizienter als meine derzeitige Lösung mit dem kleinen Wechselrichter und 230V-Ladegerät ist das allemal, und mein LiFePO-Akku sollte das auch eine ganze Weile durchhalten.
Bedankt an Kurt!
-
Hallo Hartmut,
danke für dieses Testergebnis. Bei mir war es ja nur blanke Theorie du hast es wenigstens ausprobieren können.
Ich bin jetzt mal auf den Test von Jörg mit dem 1 OHM Widerstand gespannt.
Laut Berechnung dürfte der nur 1W d.h. ca.0.1A/Tag Eigenverbrauch bei ca.5A Ladestrom/Tag haben.....es bleibt spannend

LG Kurt
-
Hallo,
das Ergebnis der 'Widerstandskopplung' interessiert mich auch - falls das geht, wäre mein Gedanke wenigstens nicht so abwegig gewesen
Aber ich schiebe noch was nach an die ursprüngliche Threadfrage - die Alarmanlage ist an die Starterbatterie angeschlossen und die Starterbatterie soll aus der Aufbaubatterie gestützt werden. Wenn ich das pragmatisch betrachte, kingt das etwas 'von-hinten-durch-die-Brust-ins-Auge'. Statt dessen könnte man doch die Alarmanlage an die Aufbaubatterie anschließen. Dann versorgt die Starterbatterie nur noch Kleinverbraucher der Auto-eigenen Elektronik. Bei geöffnetem Natoknochen wäre die Alarmanlage dann der einzige Verbraucher an der Aufbaubatterie und die Situation vielleicht etwas entspannter und überschaubarer.Gruß,
Horst -
Hallo Horst,
ob man die Alarmanlage an der Aufbaubatterie anschliessen kann weiss ich nicht.
Immerhin wären das dann unter Umständen 2 Stromkreise. Viele Alarmanlagen sind an dem OBD
Bus angeschlossen. Ich glaube wenn das mein Fahrzeug wäre würde ich das nicht testen
LG Kurt
-
Hallo Kurt,
ich kenne ja die Einbausituation nicht. Deshalb war das nur ein unverbindlicher Ansatz, basierend auf einem (beliebigen) Verbraucher, der seine Energie entweder aus der einen oder anderen Batterie bezieht, ohne die beiden zu koppeln.
Sicherheitshalber nehme ich den Vorschlag zurück
Gruß,
Horst -
Moin,
ZitatLaut Berechnung dürfte der nur 1W d.h. ca.0.1A/Tag Eigenverbrauch bei ca.5A Ladestrom/Tag haben.
Von welcher Spannungsdifferenz gehst Du aus, Kurt?
Jetzt mitmachen!
Sie haben noch kein Benutzerkonto auf unserer Seite? Registrieren Sie sich kostenlos und nehmen Sie an unserer Community teil!

