Hallo zusammen!
Nachdem H.Joachim/Saratoga mir gestern schon helfen konnte (ganz herzlichen Dank!) habe ich eine weitere Fragestellung.
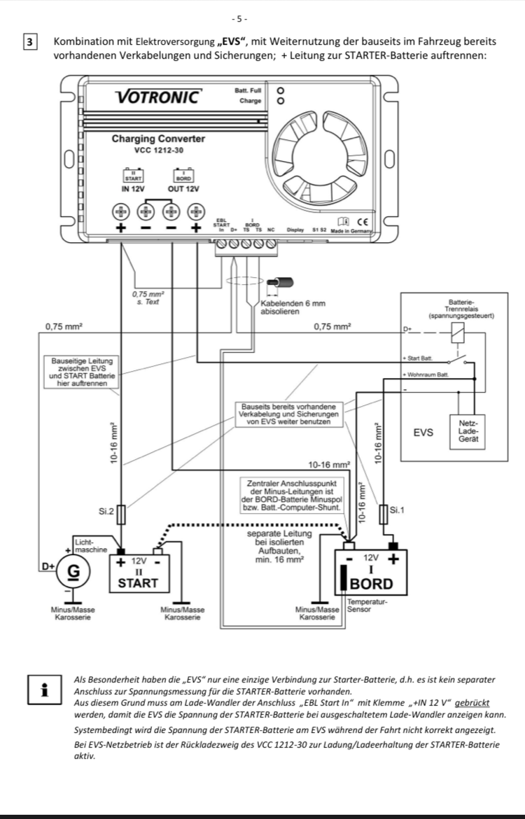
Ich versuche herauszufinden, welches Anschlussschema (Dokument von Votronic) ich für die Verdrahtung des Ladeboosters Votronic VCC 1212-30 an das bei mir verbaute CBE DS300-HB nutzen kann. Oder ob ich das ganz anders anstellen muss. Da bei den in der Montageanleitung angeführten Schemata die DS300 nicht konkret benannt wird, bin ich unsicher ob mein Anwendungsfall überhaupt abgebildet ist. Also wandte ich mich direkt an Votronic in der Annahme "die DS300 steckt doch sicher in hunderten Fahrzeugen. Da werden die schon was wissen...". Meine Anfrage hierzu an Votronic selbst wurde zwar sehr schnell (binnen zwölf Stunden) beantwortet, allerdings ohne eine konkrete Lösung ("[...]Bitte wenden Sie sich an den Fachbetrieb[...]")
Jetzt bin ich so schlau wie zuvor.
Hat jemand den Anwendungsfall für sich schon gelöst und eine Lösung parat?
Schönen Abend!
Martin

